Just don't let the wife catch you doing itMoonbogg wrote:It fits gently enough so you can BLOW into the tube with your mouth and easily cause the ball to roll all the way through
Cooking up a little something...
- jackssmirkingrevenge
- Five Star General

- Posts: 26216
- Joined: Thu Mar 15, 2007 11:28 pm
- Has thanked: 576 times
- Been thanked: 347 times
hectmarr wrote:You have to make many weapons, because this field is long and short life
- Moonbogg
- Staff Sergeant 3


- Posts: 1737
- Joined: Mon Oct 13, 2008 10:20 pm
- Location: SoCal
- Has thanked: 166 times
- Been thanked: 102 times
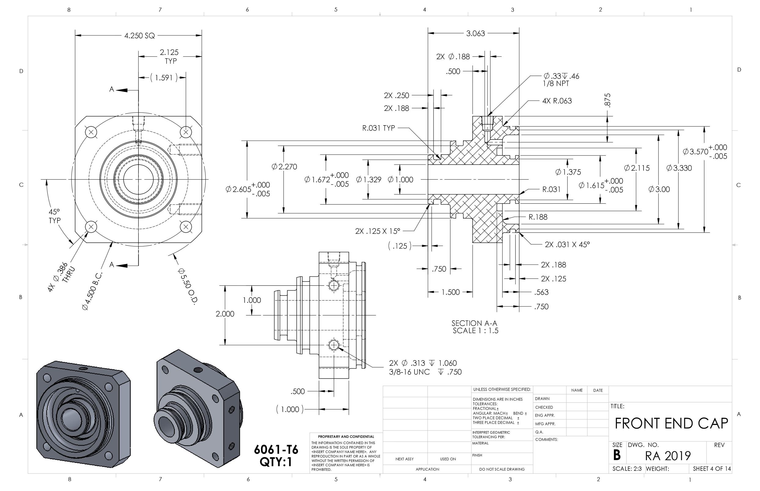
Delivering the material today. I just emailed off my PO numbers and drawings. I tried to attach the PDF of all the drawings to share, but it wouldn't let me. I don't know how I could share that here. I guess I'd have to make a million pictures. Oh well. Anyway, no going back now!
EDIT: It's later in the day and I dropped everything off. I added the drawings below for those interested. This took a lot of work but I loved every second of it.
I used the file up loader. It looks like if you click the pictures they get bigger. OMG wow, they look amazing when you click, lol.
EDIT: It's later in the day and I dropped everything off. I added the drawings below for those interested. This took a lot of work but I loved every second of it.
I used the file up loader. It looks like if you click the pictures they get bigger. OMG wow, they look amazing when you click, lol.
Last edited by Moonbogg on Tue Apr 09, 2019 12:11 pm, edited 2 times in total.
- jackssmirkingrevenge
- Five Star General

- Posts: 26216
- Joined: Thu Mar 15, 2007 11:28 pm
- Has thanked: 576 times
- Been thanked: 347 times
Looking very nice, hope it shoots as good as it looks like it should 
hectmarr wrote:You have to make many weapons, because this field is long and short life
- Moonbogg
- Staff Sergeant 3


- Posts: 1737
- Joined: Mon Oct 13, 2008 10:20 pm
- Location: SoCal
- Has thanked: 166 times
- Been thanked: 102 times
If it doesn't work, at that point there will be nothing left to do but laugh! Imagine all this work and it doesn't shoot right, lol. I have to admit, that would be damn funny.
Also, look how thick that handle bracket is. I have this issue where I underestimate the rigidity of materials and always overbuild stuff. I imagined that bracket bending and flexing like it was made of rubber, lol. So I went heavy with it. Heavy is good though. This whole thing will weight just over 25lbs. That's kind of heavy, but it has a bi-pod so it's all good.
EDIT: I replaced the imgur links with real files by using the spudfiles file uploader. It's way better. Click those images and they get huge and clear. Wow, nice.
Also, look how thick that handle bracket is. I have this issue where I underestimate the rigidity of materials and always overbuild stuff. I imagined that bracket bending and flexing like it was made of rubber, lol. So I went heavy with it. Heavy is good though. This whole thing will weight just over 25lbs. That's kind of heavy, but it has a bi-pod so it's all good.
EDIT: I replaced the imgur links with real files by using the spudfiles file uploader. It's way better. Click those images and they get huge and clear. Wow, nice.
- Moonbogg
- Staff Sergeant 3


- Posts: 1737
- Joined: Mon Oct 13, 2008 10:20 pm
- Location: SoCal
- Has thanked: 166 times
- Been thanked: 102 times
It's nearly done baking in the oven. I took a peek today and it's looking BEAUTIFUL! That piston looks and feels gorgeous. Let's hope this damn thing actually works, lol. Some holes need to be drilled and then I will have all the parts here with me for sanding, polishing and assembly. Also hydro testing of course.
Also, I looked at the test reports for my end cap material and I was thrilled to see 45kpsi yield and 50kpsi ultimate when I was expecting something closer to 40/45. That increases my expected safety factor from about 4 to 4.6 or so (based on my not-a-real-engineer calculations). The most stress this cannon will experience comes from the damn tie rod clamping force and NOT the pressure from inside the cannon, even at 3X max pressure lol. The tie rod torque needs to be around 12ft-lbs and not much more. Its aluminum and not alloy steel. Can't just get all wrench monkey crazy on it ya know?
Also, I looked at the test reports for my end cap material and I was thrilled to see 45kpsi yield and 50kpsi ultimate when I was expecting something closer to 40/45. That increases my expected safety factor from about 4 to 4.6 or so (based on my not-a-real-engineer calculations). The most stress this cannon will experience comes from the damn tie rod clamping force and NOT the pressure from inside the cannon, even at 3X max pressure lol. The tie rod torque needs to be around 12ft-lbs and not much more. Its aluminum and not alloy steel. Can't just get all wrench monkey crazy on it ya know?
- jackssmirkingrevenge
- Five Star General

- Posts: 26216
- Joined: Thu Mar 15, 2007 11:28 pm
- Has thanked: 576 times
- Been thanked: 347 times

Looking forward to see this come together!
hectmarr wrote:You have to make many weapons, because this field is long and short life
- Moonbogg
- Staff Sergeant 3


- Posts: 1737
- Joined: Mon Oct 13, 2008 10:20 pm
- Location: SoCal
- Has thanked: 166 times
- Been thanked: 102 times
^ LOL!
Also, if it doesn't work, all is not lost. It will still look beautiful sitting in my closet! Worst case scenario, I end up with a standard combustion cannon. I just don't know what to really expect from that piston. The rubber feels really hard, but I can't rely on intuition for that. I know it's going to get slammed with a couple hundred PSI, so it has to be resilient. Time will tell.
Also, if it doesn't work, all is not lost. It will still look beautiful sitting in my closet! Worst case scenario, I end up with a standard combustion cannon. I just don't know what to really expect from that piston. The rubber feels really hard, but I can't rely on intuition for that. I know it's going to get slammed with a couple hundred PSI, so it has to be resilient. Time will tell.
-
hectmarr
- Sergeant


- Posts: 1064
- Joined: Sat May 07, 2016 3:49 pm
- Location: Argentina
- Has thanked: 274 times
- Been thanked: 276 times
- Contact:
Everything is perfectly mechanized, very nice. For the mixing pressures you are going to use, it's more than enough, several times! On the other hand, I have no doubt that it will shoot excellent. I like his enthusiasm for doing things with love.Moonbogg wrote:It's nearly done baking in the oven. I took a peek today and it's looking BEAUTIFUL! That piston looks and feels gorgeous. Let's hope this damn thing actually works, lol. Some holes need to be drilled and then I will have all the parts here with me for sanding, polishing and assembly. Also hydro testing of course.
Also, I looked at the test reports for my end cap material and I was thrilled to see 45kpsi yield and 50kpsi ultimate when I was expecting something closer to 40/45. That increases my expected safety factor from about 4 to 4.6 or so (based on my not-a-real-engineer calculations). The most stress this cannon will experience comes from the damn tie rod clamping force and NOT the pressure from inside the cannon, even at 3X max pressure lol. The tie rod torque needs to be around 12ft-lbs and not much more. Its aluminum and not alloy steel. Can't just get all wrench monkey crazy on it ya know?
- Moonbogg
- Staff Sergeant 3


- Posts: 1737
- Joined: Mon Oct 13, 2008 10:20 pm
- Location: SoCal
- Has thanked: 166 times
- Been thanked: 102 times
Thanks for the comments. So you think it will be plenty strong for 3X? I am feeling like I messed up by not making the end caps thicker. It's not the pressure I'm really worried about. It's really the tie rod clamping force that has me concerned. I should have made the caps another 1/2" thick to give me more strength for clamping the bolts down. I have to be careful with the torque.hectmarr wrote:Everything is perfectly mechanized, very nice. For the mixing pressures you are going to use, it's more than enough, several times! On the other hand, I have no doubt that it will shoot excellent. I like his enthusiasm for doing things with love.Moonbogg wrote:It's nearly done baking in the oven. I took a peek today and it's looking BEAUTIFUL! That piston looks and feels gorgeous. Let's hope this damn thing actually works, lol. Some holes need to be drilled and then I will have all the parts here with me for sanding, polishing and assembly. Also hydro testing of course.
Also, I looked at the test reports for my end cap material and I was thrilled to see 45kpsi yield and 50kpsi ultimate when I was expecting something closer to 40/45. That increases my expected safety factor from about 4 to 4.6 or so (based on my not-a-real-engineer calculations). The most stress this cannon will experience comes from the damn tie rod clamping force and NOT the pressure from inside the cannon, even at 3X max pressure lol. The tie rod torque needs to be around 12ft-lbs and not much more. Its aluminum and not alloy steel. Can't just get all wrench monkey crazy on it ya know?
I am thinking I can take the max force on the end caps from the max pressure and then clamp the tie-rods to hold twice that much force, and with torque error that should be plenty of torque to hold the caps and still not stress the end caps too much. This would actually be a very small torque compared to what people would normally torque tie-rods like these to. I am hoping they have sufficient stretch to stay tightened down.
I am under the impression that bolts and tie-rods have issues when their clamping force is not enough to exceed the load placed on them. I think they end up stretching slightly and deloading, which can cause fatigue and failure after enough cycles.
I'm wondering if it's OK to use a light torque on a very strong B7 stud like this, so long as the clamping force exceeds the resulting load from the pressure.
I'm just freaking out a little and getting paranoid. I went through the same thing the last time I made a cannon, lol. I might end up being more conservative and only going with 2X...not sure yet. I'm a scaredy cat. I will be putting my face directly behind that rear end cap and smiling like an idiot as I aim down the sight. I just don't want to have my face peeled off like an orange rind due to a design error.
I thought about adding hardened stainless bearing plates on both end caps. They would be like giant washers that cover the entire face of the caps to distribute the load and add a little strength as well. Another idea was to add tie-rod supports. These are tubes that the tie-rods go through and they are the the same length as the chamber (not sure about length tolerances on these supports). They allow more clamping of the tie rods and the tubes take the load rather than all of it going on the aluminum end caps near the bolt holes. I think they are intended to relieve axial stress from the main cylinder tube, but they could be used to relieve stress from the end caps as well. Not sure if any of these measures are necessary or worth the extra cost.
-
hectmarr
- Sergeant


- Posts: 1064
- Joined: Sat May 07, 2016 3:49 pm
- Location: Argentina
- Has thanked: 274 times
- Been thanked: 276 times
- Contact:
It is one thing to shoot these weapons from a distance and another very different one, shoot them within centimeters of your car ... as I do. It is better to reinforce "in excess" than to leave things "fair" in terms of material resistance. The firing tests will tell if it is necessary to reinforce more and where to do it.
Personally, I test my weapons, with the gas outlet hole completely covered, and it must hold, I do it a few times and in each of them, I assume that it will explode everything ... and I protect myself well. If you hold, I just included the sight, (up and dash), which is what forces me to put my right eye, just on the back cover of the combustion chamber, and with protective glasses, always.
You have to finish and test the design, and design based on that experience and not based on numbers, exclusively. Evidence data are secrets jealously guarded by factories, rather than numbers and calculations.
Personally, I test my weapons, with the gas outlet hole completely covered, and it must hold, I do it a few times and in each of them, I assume that it will explode everything ... and I protect myself well. If you hold, I just included the sight, (up and dash), which is what forces me to put my right eye, just on the back cover of the combustion chamber, and with protective glasses, always.
You have to finish and test the design, and design based on that experience and not based on numbers, exclusively. Evidence data are secrets jealously guarded by factories, rather than numbers and calculations.
- Moonbogg
- Staff Sergeant 3


- Posts: 1737
- Joined: Mon Oct 13, 2008 10:20 pm
- Location: SoCal
- Has thanked: 166 times
- Been thanked: 102 times
Thank you for the feedback. I agree, testing is necessary before use. I will fill the chamber with water and also submerge the whole thing under water and pressurize to 450psi. If it breaks, I will cry, but at least it will break under water while also being filled with water. I will measure the diameter in 3 places and the overall length in 4 places before and after testing. I will compare the numbers and see how different they are.
If it explodes, the numbers should be quite different
If it explodes, the numbers should be quite different
- Labtecpower
- Sergeant 3


- Posts: 1297
- Joined: Sat Feb 20, 2010 6:38 am
- Location: Pyongyang
- Has thanked: 5 times
- Been thanked: 13 times
You'll be fine with the flanges man, you've got 1" thick 6061 to keep the 28 bars of pressure inside 
For the tie rods i'd simply go with large washers, a steel plate over the whole flange would be overkill. I expect the chamber to fail way before your endcaps do. (I'm not telling you to worry about your chamber wall thickness now
)
For the tie rods i'd simply go with large washers, a steel plate over the whole flange would be overkill. I expect the chamber to fail way before your endcaps do. (I'm not telling you to worry about your chamber wall thickness now
- Moonbogg
- Staff Sergeant 3


- Posts: 1737
- Joined: Mon Oct 13, 2008 10:20 pm
- Location: SoCal
- Has thanked: 166 times
- Been thanked: 102 times
Thank you for you feedback. I know I am supposed to be responsible for my own design, but I have to admit it's reassuring to see that you feel the design is plenty strong. Regarding the 1" thick 6061, I'm afraid I might have bought cellular core 6061 by accident and there's no way to really tell .Labtecpower wrote:You'll be fine with the flanges man, you've got 1" thick 6061 to keep the 28 bars of pressure inside
For the tie rods i'd simply go with large washers, a steel plate over the whole flange would be overkill. I expect the chamber to fail way before your endcaps do. (I'm not telling you to worry about your chamber wall thickness now)
I am actually comfortable with the chamber pipe because i managed to find some burst pressure formulas, since those are easy enough to come by, and the safety factor is around 13, which is actually right around where Solidworks said it would be. Trying to manually calculate the stress on the end caps around the hole areas is much harder for me.
I took a cross section about 1" wide across the cap, as if cutting the hole area clean off and I took the surface area of that cut section. I chose that size section because it simply looks like most of the bolt stress would be in that region. I then divided the maximum conceivable force from one bolt and divided it by the surface area of that cross section and only got 4000psi of stress. The yield of the material is 47,000psi, which suggests a shear factor of safety of 11.75. I read that objects are about half as strong in shear as they are in tension, so even dividing by two gives nearly 6.
That's not taking into account a lot of things and I'm sure I did that completely wrong, but without formal education in the area of mechanical engineering and without any other reason to know this stuff (apart from making a potato gun every 10 years, lol) I just don't know how to put the formulas together. I am confident I could do the math however if I only knew how to direct my efforts.
So, it's not necessarily that I think the cannon will explode in my face. It's mostly an issue I have with not being able to thoroughly explain why I think it won't. I should be able to explain all of it to a reasonable extent. Right now all I can say about the end caps is "Solidworks said it should be OK and my last cannon didn't explode, so...hand me that propane please?"
EDIT: I was just told all parts should be ready today. My heart is pounding with excitement! Can't wait to build this thing. I'm looking forward to the photo shoot even more than the actual shooting.

