Gen II tank.
- Modderxtrordanare
- Corporal 2

- Posts: 686
- Joined: Mon Nov 20, 2006 1:22 pm
- Location: Texas
I read up on DR's GenII Hybrid. But my hybrids ignition chamber is alot bigger than his is. (3' of 2" SCH80, ~103cu in)
It said to make the genII tank 5 times bigger than the ignition chamber, why? Also, is there a way I can get around this? markfh11q did it, but I couldn't quite grasp the concept of what he did exactly.
Could someone help me understand a little more about a GenII hybrid. (since it's not in the wiki)
P.S. Is my hybrids chamber too big? Or should I shorten it?
It said to make the genII tank 5 times bigger than the ignition chamber, why? Also, is there a way I can get around this? markfh11q did it, but I couldn't quite grasp the concept of what he did exactly.
Could someone help me understand a little more about a GenII hybrid. (since it's not in the wiki)
P.S. Is my hybrids chamber too big? Or should I shorten it?
Spudding since '05. Proud waster of plumbing and plumbing accessories.
-Wiki
-How-To: Modding a Sprinkler Valve
-Wiki
-How-To: Modding a Sprinkler Valve
- Fnord
- First Sergeant 2

- Posts: 2239
- Joined: Tue Feb 13, 2007 9:20 pm
- Location: Pripyat
- Been thanked: 1 time
- Contact:
From what I understand, a genII fueling system puts a normal combustion mix into a secondary chamber then pumps it out into the main combustion chamber, usually by replacing the mix with water.
You'll need a secondary chamber 5x bigger to achive 5x mix, unless you want to drain the water out.
You'll need a secondary chamber 5x bigger to achive 5x mix, unless you want to drain the water out.

- Modderxtrordanare
- Corporal 2

- Posts: 686
- Joined: Mon Nov 20, 2006 1:22 pm
- Location: Texas
I kind of understand how it works, but I don't understand why it works. I think I am missing some small detail that will fill in all the parts I don't get._Fnord wrote:From what I understand, a genII fueling system puts a normal combustion mix into a secondary chamber then pumps it out into the main combustion chamber, usually by replacing the mix with water.
Is someone able to explain in more detail how it works, DR's page is confusing. Such as why he made the tank 5 times bigger than the ignition chamber.
Spudding since '05. Proud waster of plumbing and plumbing accessories.
-Wiki
-How-To: Modding a Sprinkler Valve
-Wiki
-How-To: Modding a Sprinkler Valve
it is so that he would fill it to the same pressures as he would have in his original chamber, but when he pumps water into it it compresses the gas into the combustion chamber 5 times
get it?
um im not good at explaining so i bet not, lol
get it?
um im not good at explaining so i bet not, lol
- Modderxtrordanare
- Corporal 2

- Posts: 686
- Joined: Mon Nov 20, 2006 1:22 pm
- Location: Texas
sandman wrote:it is so that he would fill it to the same pressures as he would have in his original chamber, but when he pumps water into it it compresses the gas into the combustion chamber 5 times
get it?
um im not good at explaining so i bet not, lol
Ooh, so if I make the seperate tank twice the size of my ignition chamber, and inject 4.03% propane for the total volume of both tanks, when I fill the entire second tank with water and disconnect them, the ignition chamber will have a 2x/2atm mix?
Spudding since '05. Proud waster of plumbing and plumbing accessories.
-Wiki
-How-To: Modding a Sprinkler Valve
-Wiki
-How-To: Modding a Sprinkler Valve
- Pete Zaria
- Corporal 5

- Posts: 954
- Joined: Fri Mar 31, 2006 6:04 pm
- Location: Near Seattle, WA
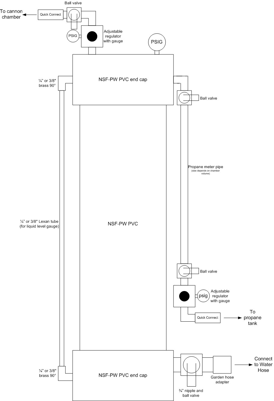
I was bored, so I did a quick Visio sketch of my idea for a gen2 tank. The Lexan tube for the liquid level gauge (just lets you see how much water is in the tank) is optional but would be very convenient and shouldn't cost much extra. The regulators, technically, are optional (you'd need a PSI gauge on the meter pipe at least) but again would make things much more convenient.
This design could be constructed in a variety of sizes to fit different sized cannons.
Peace,
Pete Zaria.
This design could be constructed in a variety of sizes to fit different sized cannons.
Peace,
Pete Zaria.
- Modderxtrordanare
- Corporal 2

- Posts: 686
- Joined: Mon Nov 20, 2006 1:22 pm
- Location: Texas
Thank you pete, that plastic tube idea is genius. I was planning on mounting it horizontally (like DR) but I will mount it along the vertical support of my stand. It'll be a lot cleaner looking.
Spudding since '05. Proud waster of plumbing and plumbing accessories.
-Wiki
-How-To: Modding a Sprinkler Valve
-Wiki
-How-To: Modding a Sprinkler Valve
- Pete Zaria
- Corporal 5

- Posts: 954
- Joined: Fri Mar 31, 2006 6:04 pm
- Location: Near Seattle, WA
No prob.
I technically took the fuel level gauge idea from PyroDude's flamethrower design, but I've seen it used on other things before that, like the storage tank on my water well.
I was going to add, I personally (being a paranoid safety freak) would put a 1" union with a pop-bottle burst disk at the top, just in case of the very unlikely situation of over-pressurization due to combustion. But it's not really necessary. Just make sure to pressure test it for leaks before use....
Peace,
Pete Zaria.
I technically took the fuel level gauge idea from PyroDude's flamethrower design, but I've seen it used on other things before that, like the storage tank on my water well.
I was going to add, I personally (being a paranoid safety freak) would put a 1" union with a pop-bottle burst disk at the top, just in case of the very unlikely situation of over-pressurization due to combustion. But it's not really necessary. Just make sure to pressure test it for leaks before use....
Peace,
Pete Zaria.
- Modderxtrordanare
- Corporal 2

- Posts: 686
- Joined: Mon Nov 20, 2006 1:22 pm
- Location: Texas
Allready had that in mind, but on the bottom. Then it will double as a water drainer.Pete Zaria wrote:No prob.
I technically took the fuel level gauge idea from PyroDude's flamethrower design, but I've seen it used on other things before that, like the storage tank on my water well.
I was going to add, I personally (being a paranoid safety freak) would put a 1" union with a pop-bottle burst disk at the top, just in case of the very unlikely situation of over-pressurization due to combustion. But it's not really necessary. Just make sure to pressure test it for leaks before use....
Peace,
Pete Zaria.
Spudding since '05. Proud waster of plumbing and plumbing accessories.
-Wiki
-How-To: Modding a Sprinkler Valve
-Wiki
-How-To: Modding a Sprinkler Valve
-
Kenny_McCormic
- Specialist 2

- Posts: 283
- Joined: Wed Jan 03, 2007 8:59 pm
I think he died.Cause 2 weeks ago I sent him an email and I got no reply
- Modderxtrordanare
- Corporal 2

- Posts: 686
- Joined: Mon Nov 20, 2006 1:22 pm
- Location: Texas
All that smoking..spudkilla wrote:Are you serious?Kenny_McCormic wrote:I think he died.Cause 2 weeks ago I sent him an email and I got no reply
![]()
![]()
![]()
Or maybe he took his genII tank up to 60psi again
Spudding since '05. Proud waster of plumbing and plumbing accessories.
-Wiki
-How-To: Modding a Sprinkler Valve
-Wiki
-How-To: Modding a Sprinkler Valve
-
Kenny_McCormic
- Specialist 2

- Posts: 283
- Joined: Wed Jan 03, 2007 8:59 pm
yes the adress i used is the one in his profile kwazewabbitt@yahoo.com anybody know anything else about him?spudkilla wrote:Are you serious?Kenny_McCormic wrote:I think he died.Cause 2 weeks ago I sent him an email and I got no reply
![]()
![]()
![]()

