Seems to work just fine for me - tested at 1X on various chambers of different sizes and it works at first click as shown here
[youtube][/youtube]
I fixed some bugs that existed in the previous version and added an experimental bluetooth remote ignition fuctionality.
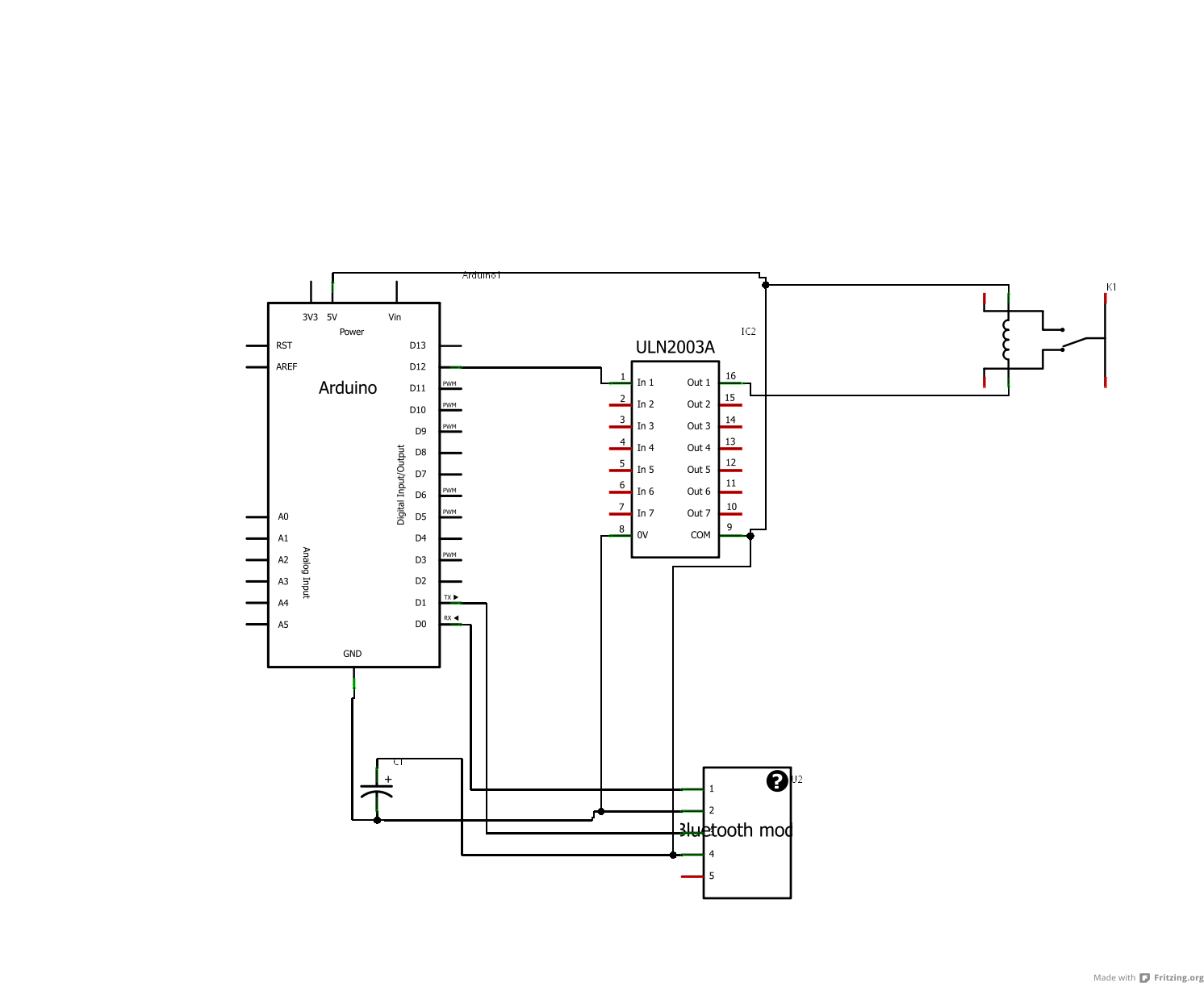
This bluetooth ignition thingy is technically just something that you can use to connect to a bluetooth module like this one

and it sends a string 'boom' once you release the safety and press the button 'fire'.
Of course you need to write a code for an arduino board (or any other microcontroller you want to use) so that it activates a relay/mosfet/whatever when its serial pin gets the string sent by the app
I say it's experimental because I only tested it on a bluetooth dongle since I don't have such a bluetooth module yet.
ohh and just as a disclaimer - you use at your own risk.
To download use the QR code or link below
https://docs.google.com/open?id=0B_PfPo ... zhKZkNVX3c
ohh and to download you probably have to accept the installation of software from outside the Android Market >>>
Tap Menu.
Tap Settings.
Tap Applications.
Check the box labeled Unknown Sources.
Any feedback or ideas what to add are welcome.
ohh and special thx to jsr for the formula







