BFG #7
- farcticox1
- Sergeant

- Posts: 1082
- Joined: Sun Mar 31, 2013 12:37 pm
- Has thanked: 69 times
- Been thanked: 97 times
Anybody got any ideas on a fully pneumatic powered semi automatic bolt action set up.
I'm thinking pulling the trigger switches a pilot valve to send air down the barrel, pulling the trigger fully in, shuts of that air and triggers the reload cylinder ( bolt action ) so a secondary actuater on the trigger.
I'm thinking pulling the trigger switches a pilot valve to send air down the barrel, pulling the trigger fully in, shuts of that air and triggers the reload cylinder ( bolt action ) so a secondary actuater on the trigger.
Last edited by farcticox1 on Sun Apr 09, 2017 2:04 pm, edited 1 time in total.
- mobile chernobyl
- Corporal 3


- Posts: 758
- Joined: Sun Dec 03, 2006 11:53 am
- Been thanked: 8 times
Check out the 'Autococker' paintball mechanism:
http://www.zdspb.com/media/tech/animati ... er_wgp.gif
Tons of other paintball based semi-automatic ideas here:
http://www.zdspb.com/tech/misc/animations.html
http://www.zdspb.com/media/tech/animati ... er_wgp.gif
Tons of other paintball based semi-automatic ideas here:
http://www.zdspb.com/tech/misc/animations.html
-
keks2033
- Private 4


- Posts: 94
- Joined: Mon Feb 08, 2016 2:37 am
- Has thanked: 1 time
- Been thanked: 5 times
simple semi-automatic rifle with a piston valve. Shooting out of it: The piston valve makes it easy to semi-automatic rifles. On my channel there are several of these guns.farcticox1 wrote:Anybody got any ideas on a fully pneumatic powered semi automatic bolt action set up.
I'm thinking pulling the trigger switches a pilot valve to send air down the barrel, pulling the trigger fully in, shuts of that air and triggers the reload cylinder ( bolt action ) so a secondary actuater on the trigger.
- farcticox1
- Sergeant

- Posts: 1082
- Joined: Sun Mar 31, 2013 12:37 pm
- Has thanked: 69 times
- Been thanked: 97 times
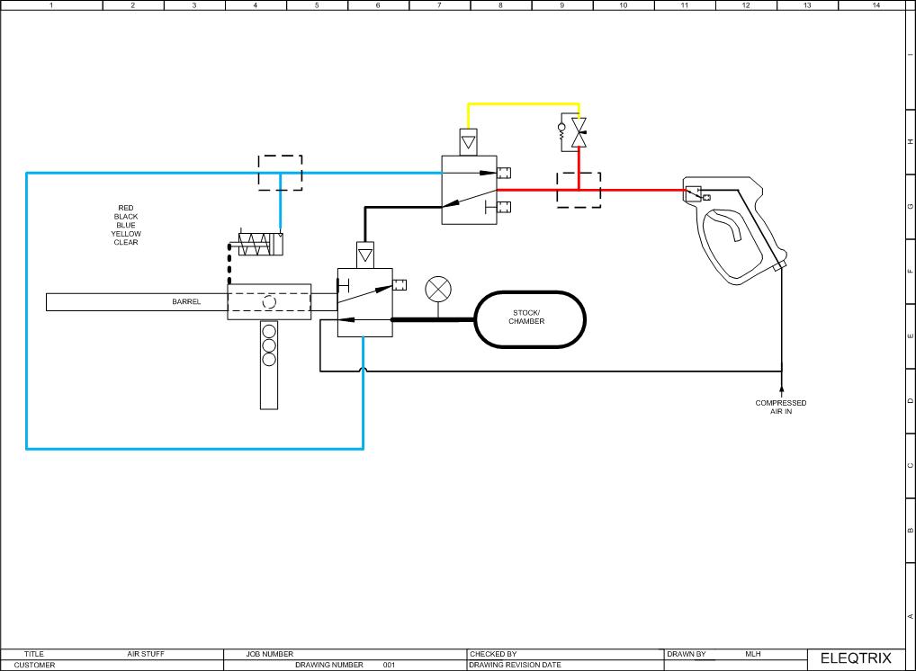
Worked on the circuit a bit, going to get some parts and make a test set up of this.
Pulling trigger should operate main valve then operate the control valve after a short time set by restrictor, which shuts off main valve and opens breach to load 1 ball. Releasing trigger should reset valves ready to fire again.
On initial loading, before firing, 1st round can be loaded manually as breach cylinder is spring return, just like a real gun.
Pulling trigger should operate main valve then operate the control valve after a short time set by restrictor, which shuts off main valve and opens breach to load 1 ball. Releasing trigger should reset valves ready to fire again.
On initial loading, before firing, 1st round can be loaded manually as breach cylinder is spring return, just like a real gun.
Last edited by farcticox1 on Sun Jan 07, 2018 2:33 pm, edited 2 times in total.
- farcticox1
- Sergeant

- Posts: 1082
- Joined: Sun Mar 31, 2013 12:37 pm
- Has thanked: 69 times
- Been thanked: 97 times
Tried it on Fluid Sim and it seems to work 
- Brian the brain
- Moderator


- Posts: 3497
- Joined: Mon Dec 05, 2005 2:06 am
- Location: Holland
- Been thanked: 7 times
This was my idea...although it can be set to full auto aswell.
[youtube][/youtube]
[youtube][/youtube]
Gun Freak wrote:
Oh my friggin god stop being so awesome, that thing is pure kick ass. Most innovative and creative pneumatic that the files have ever come by!
Can't ask for a better compliment!!
Oh my friggin god stop being so awesome, that thing is pure kick ass. Most innovative and creative pneumatic that the files have ever come by!
Can't ask for a better compliment!!
- farcticox1
- Sergeant

- Posts: 1082
- Joined: Sun Mar 31, 2013 12:37 pm
- Has thanked: 69 times
- Been thanked: 97 times
Made the skeleton for the grip and trigger mechanism
Last edited by farcticox1 on Sun Jan 07, 2018 2:31 pm, edited 1 time in total.
-
Kensingt0n
- Private

- Posts: 19
- Joined: Thu Oct 29, 2015 6:02 am
Nice work farcticox, looks like some clean work dude.
What tools did you use to make that whole mechanism?
What tools did you use to make that whole mechanism?
- farcticox1
- Sergeant

- Posts: 1082
- Joined: Sun Mar 31, 2013 12:37 pm
- Has thanked: 69 times
- Been thanked: 97 times
I have access to a decent drill press at work, apart from that all hand tools. The main plate is 10mm aluminum, it's a bit discolored as it was basically scrap metal left outside.
I have some nice 3/8 thick white nylon to finish the grip, other parts have arrived so lots more to do yet. The barrel is going to be 1/2' OD stainless seamless tubeing, the ID is 10.2mm so the ammo will be 10mm ball bearings.
I have some nice 3/8 thick white nylon to finish the grip, other parts have arrived so lots more to do yet. The barrel is going to be 1/2' OD stainless seamless tubeing, the ID is 10.2mm so the ammo will be 10mm ball bearings.
- cowscankill
- Private 4


- Posts: 73
- Joined: Sun Apr 10, 2011 8:09 am
Nice work so far!
Are you planning on making the valves or using premade? That one you have so far looks really slick.
Are you planning on making the valves or using premade? That one you have so far looks really slick.
"Make everything as simple as possible, but not simpler." - Albert Einstein
- farcticox1
- Sergeant

- Posts: 1082
- Joined: Sun Mar 31, 2013 12:37 pm
- Has thanked: 69 times
- Been thanked: 97 times
Just using off the shelf pilot air valves, I have a 3/8 port for the barrel and a 1/8 port for the pilot.
Last edited by farcticox1 on Sun Jan 07, 2018 2:35 pm, edited 1 time in total.
- farcticox1
- Sergeant

- Posts: 1082
- Joined: Sun Mar 31, 2013 12:37 pm
- Has thanked: 69 times
- Been thanked: 97 times
Just playing with layout, this looks interesting, the stock will be the main chamber. So what is a good chamber/barrel volume?
I have read 4:1, I should be able to achieve that easily.
Last edited by farcticox1 on Sun Jan 07, 2018 2:36 pm, edited 1 time in total.
-
Kensingt0n
- Private

- Posts: 19
- Joined: Thu Oct 29, 2015 6:02 am
Great craftsmanship mate, love how accomplished you feel when you achieve results like that.farcticox1 wrote:I have access to a decent drill press at work, apart from that all hand tools. The main plate is 10mm aluminum, it's a bit discolored as it was basically scrap metal left outside.
I have some nice 3/8 thick white nylon to finish the grip, other parts have arrived so lots more to do yet. The barrel is going to be 1/2' OD stainless seamless tubeing, the ID is 10.2mm so the ammo will be 10mm ball bearings.
Man, that ammo should chop anything it touches
Sorry if you had already stated, but what were you planning on using as your chamber?
- farcticox1
- Sergeant

- Posts: 1082
- Joined: Sun Mar 31, 2013 12:37 pm
- Has thanked: 69 times
- Been thanked: 97 times
I might fabricate it from stainless sheet if I need to get the volume, have Tig welder as well, or use tubing, haven't got that far yet.
Converted my main valve pilot to side entry pilot, found a nice 1/8' flush plug to fill the original hole, new hole is M5
Converted my main valve pilot to side entry pilot, found a nice 1/8' flush plug to fill the original hole, new hole is M5
Last edited by farcticox1 on Sun Jan 07, 2018 2:41 pm, edited 1 time in total.
-
Kensingt0n
- Private

- Posts: 19
- Joined: Thu Oct 29, 2015 6:02 am
Damn man, that's a mad idea for your pilot valve.
I really need to get some more tools myself, or just find a new job haha.
I really need to get some more tools myself, or just find a new job haha.
