http://www.spudfiles.com/airsoft-pellet ... 26444.html
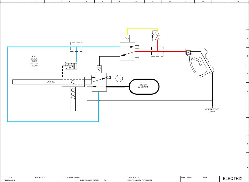
Time to call it finished, compressed air (135 psi) powered, 10mm ball bearing ammo, semi automatic, magazine holds 10 + 1 in ready. The stock is the chamber (1 1/2" pvc), barrel is 1/2" OD seamless stainless tubing (10.2mm ID) 700mm long. Main valve (3/8) is controlled by pilot valve (1/8) pulse, this pulse can be adjusted by the air restrictor to give different times/power. Valves are pilot air actuated 5/2 spring return, but had to add external pilot air to main valve as I was feeding it through an exhaust port not the P port.
Mostly made from scrap aluminium/stainless/pvc, about 200hrs+ work, hand tools and a drill press only, couple of the fittings were Tig welded, but only because I didn't want to buy anything for it. Front grip is a grinder handle
It is 1070mm/42" overall length, 6.4kg/14lbs in weight.






